Murray Lawn Mower Parts Manual - Murray Riding Lawn Mower Parts List / For decades, murray push and riding mowers have been the efficient, affordable choice for lawn and garden enthusiasts.

Info Populer 2022

Murray Lawn Mower Parts Manual - Murray Riding Lawn Mower Parts List / For decades, murray push and riding mowers have been the efficient, affordable choice for lawn and garden enthusiasts.

Murray Lawn Mower Parts Manual - Murray Riding Lawn Mower Parts List / For decades, murray push and riding mowers have been the efficient, affordable choice for lawn and garden enthusiasts.
Murray Lawn Mower Parts Manual - Murray Riding Lawn Mower Parts List / For decades, murray push and riding mowers have been the efficient, affordable choice for lawn and garden enthusiasts.

Murray Lawn Mower Parts Manual - Murray Riding Lawn Mower Parts List / For decades, murray push and riding mowers have been the efficient, affordable choice for lawn and garden enthusiasts.. Repair your murray lawn mower manuals, care guides & literature for less. Garden product manuals and free pdf instructions. View and download murray 425007x92c instruction book online. Model numbers on murray riding lawn mowers are found on the back of the mower or under the seat. We have the murray parts you need, including auger parts, belts, blades, decks, fuel tanks, mulch kits, pulleys, skid shoes, and more.

Model numbers on murray riding lawn mowers are found on the back of the mower or under the seat. It is self tapping, with a 9/16 hex head. If your murray lawn mower is broken, partselect.com can help. We are an authorized murray mower service dealer carrying a large selection of murray illustrated parts lists. We have the murray parts you need, including auger parts, belts, blades, decks, fuel tanks, mulch kits, pulleys, skid shoes, and more.

Download Murray Rider Lawn Mower Manual Guidebook For Iphone Rtf Free
Download Murray Rider Lawn Mower Manual Guidebook For Iphone Rtf Free from tse4.mm.bing.net
This is a genuine murray replacement blade, it is sold individually. For decades, murray push and riding mowers have been the efficient, affordable choice for lawn and garden enthusiasts. 365 day right part guaranteed return policy. They are powered by 120v a/c motors. 42 inches is a reference to the cut, as there are two blades attached to the deck of the tractor. They are also known as 4 stoke gasoline push lawn mowers. Murray oem 7601092ma fuel tank. Before you know it, you may find yourself on an indiana jones treasure hunt.

365 day right part guaranteed return policy.

Murray lawn tractor instruction book. Model numbers on murray riding lawn mowers are found on the back of the mower or under the seat. 365 day right part guaranteed return policy. If you do not see the part you need, please complete the lawn parts request form and we will be happy to assist you. One key to maintaining your murray lawn mower is to make sure that the oil is changed every season. Repair your murray lawn mower manuals, care guides & literature for less. Our lawn mower manual library might not be as old as raiders of the lost ark, but it expands every day. If you don't see the part you're looking for just ask for it and we might have it in stock. Model numbers on murray riding lawn mowers are found on the back of the mower or under the seat. Lawn mower parts that are most often purchased include blades, fuel filters, pull cords, spark plugs, mufflers. ( 0.0) out of 5 stars. Murray oem 7601092ma fuel tank. Model numbers on murray push mowers and walk behind mowers are normally on the center of the deck between the brackets that mount the lower handle.

4.5 out of 5 stars 145. Free shipping on parts orders over $45. Open 7 days a week. Murray mower grass catcher bag & frame 071592ma, 043666e701ma, 672040 (#2002) $40.00. Sold & shipped by willard's small engines.

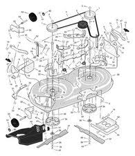
34 Murray Lawn Mower Transmission Diagram Diagram Example Database
34 Murray Lawn Mower Transmission Diagram Diagram Example Database from lh5.googleusercontent.com
Murray lawn mowers require spare parts. 0 out of 5 stars, based on 0 reviews current price $32.68 $ 32. Murray mower grass catcher bag & frame 071592ma, 043666e701ma, 672040 (#2002) $40.00. Murray parts lookup by model. 4.5 out of 5 stars 145. Another tip is to make sure that the grass catcher bag is removed. Sold & shipped by willard's small engines. Find the user manual you need for your lawn and garden product and more at manualsonline

Open 7 days a week.

We are an authorized murray mower service dealer carrying a large selection of murray lawn mower parts. Find parts for your murray riding lawn mower model 13cc26jd058. They are also known as 4 stoke gasoline push lawn mowers. 0 out of 5 stars, based on 0 reviews current price $32.68 $ 32. One of the reasons for that is the fact that each mower is powered by a briggs & stratton engine. Find murray lawn mower manuals, care guides & literature replacement parts at repairclinic.com. Model numbers on murray riding lawn mowers are found on the back of the mower or under the seat. Another tip is to make sure that the grass catcher bag is removed. This is a genuine murray replacement part, it is sold individually. 4.5 out of 5 stars 145. Murray mower grass catcher bag & frame 071592ma, 043666e701ma, 672040 (#2002) $40.00. Lawn mower parts that are most often purchased include blades, fuel filters, pull cords, spark plugs, mufflers. 425007x92c lawn mower pdf manual download.

It is commonly used in lawn tractors, and is used in various places in the compatible models listed below. Lawn mower parts that are most often purchased include blades, fuel filters, pull cords, spark plugs, mufflers. Whether you're looking for a new part for your murray lawn mower, snow blower, or riding mower, we have the parts you to fix your murray equipment. This is a genuine murray replacement part, it is sold individually. 68 list list price $50.65 $ 50.

Support Manuals Murray
Support Manuals Murray from www.murray.com
They are also known as 4 stoke gasoline push lawn mowers. If you bought your lawn mower, trimmer, or other lawn and garden equipment a long time ago, it may be tough to find your manual. 425007x92c lawn mower pdf manual download. It is a (3n1) blade, that can be used for bagging, side discharge and mulching the lawn clippings. 68 list list price $50.65 $ 50. 4.5 out of 5 stars 145. Free shipping on parts orders over $45. ( 0.0) out of 5 stars.

For decades, murray push and riding mowers have been the efficient, affordable choice for lawn and garden enthusiasts.

Use your model number and get started ordering murray lawn mower parts today! Model numbers on murray push mowers and walk behind mowers are normally on the center of the deck between the brackets that mount the lower handle. Find the user manual you need for your lawn and garden product and more at manualsonline 68 list list price $50.65 $ 50. Model numbers on murray riding lawn mowers are found on the back of the mower or under the seat. If you do not see the murray part you need, please complete the lawn parts request form and we will be happy to assist you. They are also known as 4 stoke gasoline push lawn mowers. Free shipping on parts orders over $45. We are an authorized murray mower service dealer carrying a large selection of murray lawn mower parts. Garden product manuals and free pdf instructions. It is self tapping, with a 9/16 hex head. We have the murray parts you need, including auger parts, belts, blades, decks, fuel tanks, mulch kits, pulleys, skid shoes, and more. Model numbers on murray riding lawn mowers are found on the back of the mower or under the seat.

Advertisement

Iklan Sidebar